欢迎光临永嘉县瓯北镇永灵液压件厂是一家专业生产各种扣压式高压胶管总成,各种测压接头、快换接头、高压球阀、塑料管夹、放气阀、单向节流阀、压力表开关、滤油器、滤油车、液温计。我们秉承“质量第一、服务至上、诚信第一”的经营理念,赢得了广大客户的青睐,我厂渴望与您建立长期的业务关系,热忱欢迎中外客商来人、来电、来函参观交流、洽谈订购!
 
网站首页 公司简介 产品中心 新闻中心 在线订单 信息反馈 销售网络 联系我们 English
 
 
   油箱附件
   吸油过滤器
   回油过滤器
   磁性过滤器
   压力管路过滤器
   双筒过滤器过滤装置
   液压辅件
   管夹
   球阀
   空气滤清器
   测压软管和测压接头
 
 
永嘉县瓯北镇永灵液压件厂
电  话:0577-67311865
传  真:0577-67316968
手  机:13705772865
联系人:王先生
网  址:www.xhyyj.com
地  址:温州瓯北镇王家圩永康
       街7号
 
  产品中心
 
 



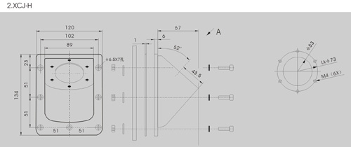
箱侧角形接头      ←返回
 
产品名称: 箱侧角形接头(油箱附件)
产品编号:
详细说明: 用于在油箱的侧面安装空气滤清器QUQ2D型(短滤网,高73m/m)和空气滤清器H型(活动滤网)

 
 
 
     
版权所有 Copyright(C ) 2011 永嘉县瓯北镇永灵液压件厂 浙ICP备10010861号友情连接:美标阀门 封头